歡迎致電:199-0511-9898 199-0511-4422
江蘇丹港機械制造有限公司
Jiangsu Dangang Machinery Manufacturing Co., Ltd
產品展示
PRODUCT DISPLAY
.jpg)
GSL旋轉供料閥
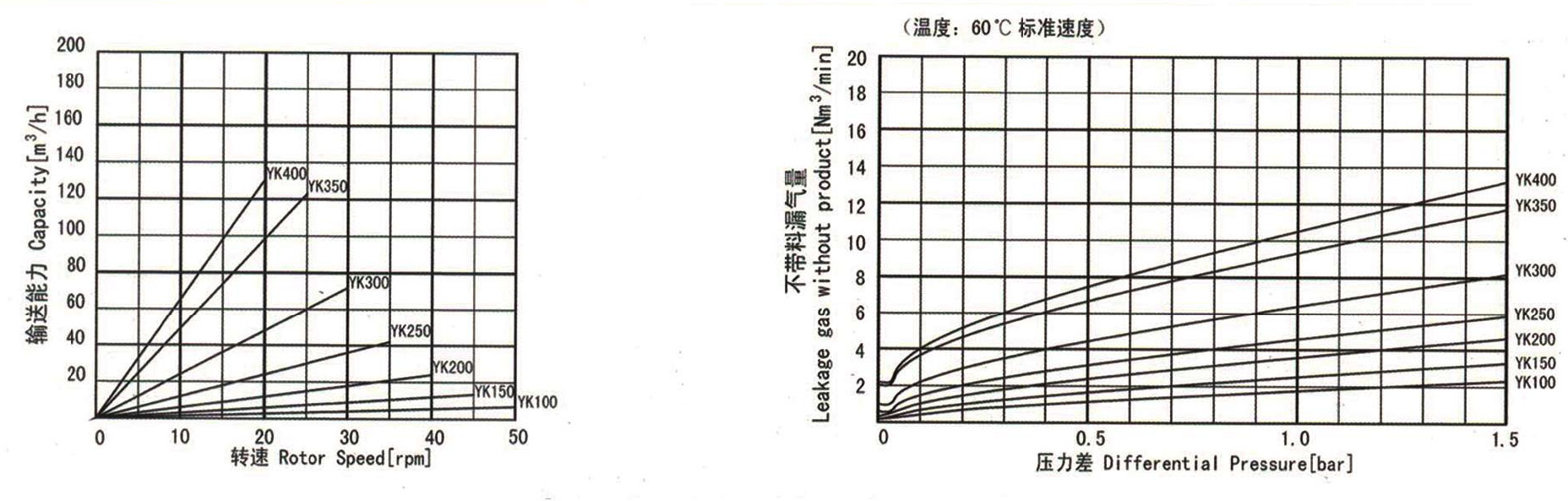
GSL旋轉供料閥,其結構由鏈輪和鏈條傳動,亦可用皮帶傳動??赏ㄟ^鏈輪或皮帶輪 大小比例調整轉速,達到預期的卸料量,根據物料的介質和特性,可制作多形式葉片結構和防卡措施。材質有鑄鐵、不銹鋼,亦可噴涂碳化鎢、陶瓷、特氟龍等輔助形式,達到耐磨損、耐腐蝕、防粘連,經過特殊處理適用于鋰電、鎢業、化工、食品、醫藥等高要求行業,其軸向多層保護,確保粉塵隔離軸承,保障長期安全工作。
全國咨詢服務熱線:
18115598751
產品詳情
GSL旋轉供料閥,其結構由鏈輪和鏈條傳動,亦可用皮帶傳動??赏ㄟ^鏈輪或皮帶輪 大小比例調整轉速,達到預期的卸料量,根據物料的介質和特性,可制作多形式葉片結構和防卡措施。材質有鑄鐵、不銹鋼,亦可噴涂碳化鎢、陶瓷、特氟龍等輔助形式,達到耐磨損、耐腐蝕、防粘連,經過特殊處理適用于鋰電、鎢業、化工、食品、醫藥等高要求行業,其軸向多層保護,確保粉塵隔離軸承,保障長期安全工作。
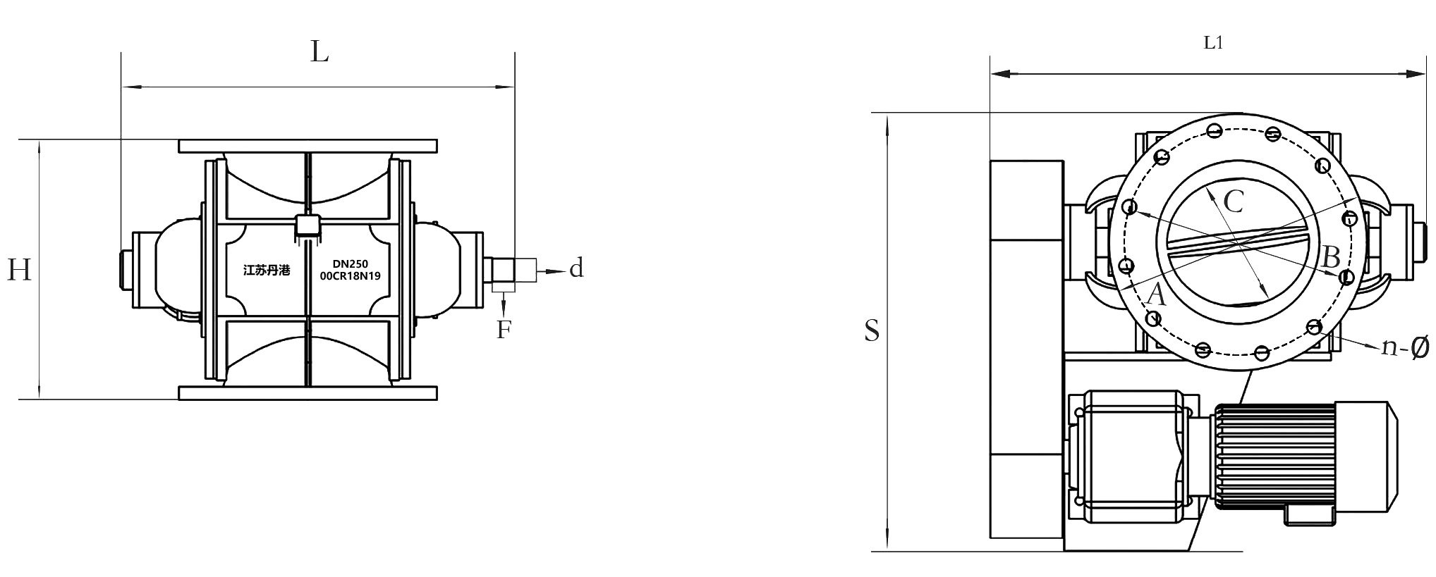
技術參數:
|
口徑 |
型號 L |
普通法蘭 |
國標法蘭 |
|
|||||||||
|
A |
B |
N-? |
A |
B |
N-? |
H |
L |
L1 |
S |
d |
F |
||
|
150 |
2L |
240 |
200 |
8月11日 |
285 |
240 |
8-22 |
240 |
440 |
470 |
520 |
28 |
60 |
|
180 |
4L |
280 |
240 |
8月11日 |
|
|
|
280 |
465 |
490 |
560 |
28 |
60 |
|
200 |
6L |
300 |
260 |
8月13日 |
340 |
295 |
8-22 |
300 |
485 |
510 |
605 |
28 |
60 |
|
220 |
8L |
320 |
280 |
8月13日 |
|
|
|
320 |
490 |
520 |
625 |
28 |
60 |
|
250 |
10L |
340 |
300 |
8月13日 |
395 |
350 |
12-22 |
340 |
540 |
580 |
650 |
28 |
60 |
|
260 |
12L |
360 |
320 |
8月13日 |
|
|
|
360 |
565 |
600 |
670 |
30 |
65 |
|
280 |
14L |
380 |
340 |
8月17日 |
|
|
|
380 |
635 |
670 |
690 |
30 |
65 |
|
300 |
16L |
400 |
360 |
8月17日 |
445 |
400 |
12-22 |
400 |
655 |
690 |
710 |
30 |
65 |
|
320 |
18L |
420 |
380 |
8月17日 |
|
|
|
420 |
675 |
710 |
750 |
32 |
70 |
|
350 |
20L |
450 |
400 |
12月17日 |
505 |
460 |
16-22 |
480 |
740 |
770 |
785 |
35 |
70 |
|
400 |
30L |
500 |
460 |
12月17日 |
565 |
515 |
16-22 |
520 |
780 |
810 |
850 |
35 |
70 |


地址:丹陽市導墅鎮東油村老預制場 電話:199-0511-9898 199-0511-4422
Copyright 版權所有 © 江蘇丹港機械制造有限公司
備案/許可證編號:蘇ICP備18003308號-2
技術支持:江蘇網博
全國服務熱線:
199-0511-9898 199-0511-4422
(工作時間:周一至周日9:00—18:00)