歡迎致電:199-0511-9898 199-0511-4422
江蘇丹港機械制造有限公司
Jiangsu Dangang Machinery Manufacturing Co., Ltd
產品展示
PRODUCT DISPLAY
.jpg)
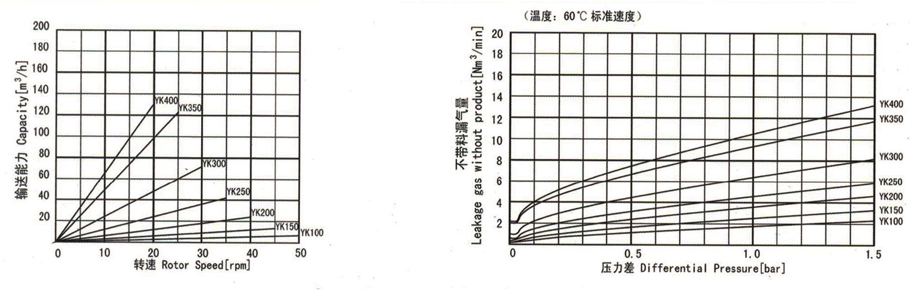
GSS直吹式旋轉閥
GSS直吹式旋轉閥,用于粉狀物料的氣力輸送系統中作為加料裝置,由于優化設計的進料口和直吹通道,進而提高了輸送量,不受轉速和壓力影響的高填充效率,通道壓力損失小,多形式結構轉子,較小化的轉子間隙將泄漏量降到較低,材質采用不銹鋼或碳鋼,經過特殊處理,可達到超強耐磨。也可噴涂碳化鎢陶瓷特氟龍等;達到耐磨損、耐腐蝕。適用于各種介質在氣力輸送中的應用,其軸向采用多層保護或淡氣隔離,確保長期安全工作。
全國咨詢服務熱線:
產品詳情
GSS直吹式旋轉閥,用于粉狀物料的氣力輸送系統中作為加料裝置,由于優化設計的進料口和直吹通道,進而提高了輸送量,不受轉速和壓力影響的高填充效率,通道壓力損失小,多形式結構轉子,較小化的轉子間隙將泄漏量降到較低,材質采用不銹鋼或碳鋼,經過特殊處理,可達到超強耐磨。也可噴涂碳化鎢陶瓷特氟龍等;達到耐磨損、耐腐蝕。適用于各種介質在氣力輸送中的應用,其軸向采用多層保護或淡氣隔離,確保長期安全工作。
技術參數:
|
型號 DN |
轉容積(L\Y) |
進口料聯接法蘭 |
出料法蘭 |
腳座 |
機高 |
|||||||||
|
圓形聯接 |
方形聯接 |
W |
K |
D |
n-? |
N*M |
n-? |
H |
||||||
|
A |
B |
a*b |
F*E |
P*Q |
n-? |
|||||||||
|
GSS150 |
6 |
285 |
240 |
150*150 |
285*285 |
240*240 |
8-? 22 |
50 |
76 |
96 |
4-?9 |
150*195 |
4-13 |
300 |
|
GSS200 |
8 |
345 |
295 |
200*200 |
345*345 |
295*295 |
12-? 22 |
75 |
96 |
115 |
4-?9 |
200*245 |
4-13 |
360 |
|
GSS250 |
16 |
395 |
350 |
250*250 |
395*395 |
350*350 |
12-? 22 |
100 |
130 |
150 |
4-?9 |
250*295 |
4-13 |
460 |
|
GSS300 |
25 |
445 |
400 |
300*300 |
445*445 |
400*400 |
12-? 22 |
125 |
156 |
185 |
6-?9 |
300*345 |
4-13 |
530 |
|
GSS350 |
35 |
505 |
460 |
350*350 |
505*505 |
460*460 |
16-? 22 |
150 |
185 |
215 |
6-?9 |
350*395 |
4-13 |
620 |
|
GSS400 |
50 |
565 |
515 |
400*400 |
565*565 |
515*515 |
16-? 22 |
175 |
205 |
235 |
8-?9 |
400*450 |
4-13 |
680 |
|
GSS450 |
60 |
615 |
565 |
450*450 |
615*615 |
565*565 |
20-? 22 |
200 |
225 |
250 |
8-?9 |
450*495 |
4-13 |
730 |
|
GSS500 |
80 |
670 |
600 |
500*500 |
670*670 |
600*600 |
20-? 22 |
225 |
255 |
285 |
8-0 9 |
500*500 |
4-13 |
780 |


地址:丹陽市導墅鎮東油村老預制場 電話:199-0511-9898 199-0511-4422
Copyright 版權所有 © 江蘇丹港機械制造有限公司
備案/許可證編號:蘇ICP備18003308號-2
技術支持:江蘇網博
全國服務熱線:
199-0511-9898 199-0511-4422
(工作時間:周一至周日9:00—18:00)