歡迎致電:199-0511-9898 199-0511-4422
江蘇丹港機械制造有限公司
Jiangsu Dangang Machinery Manufacturing Co., Ltd
產品展示
PRODUCT DISPLAY

GSG旋轉供料閥
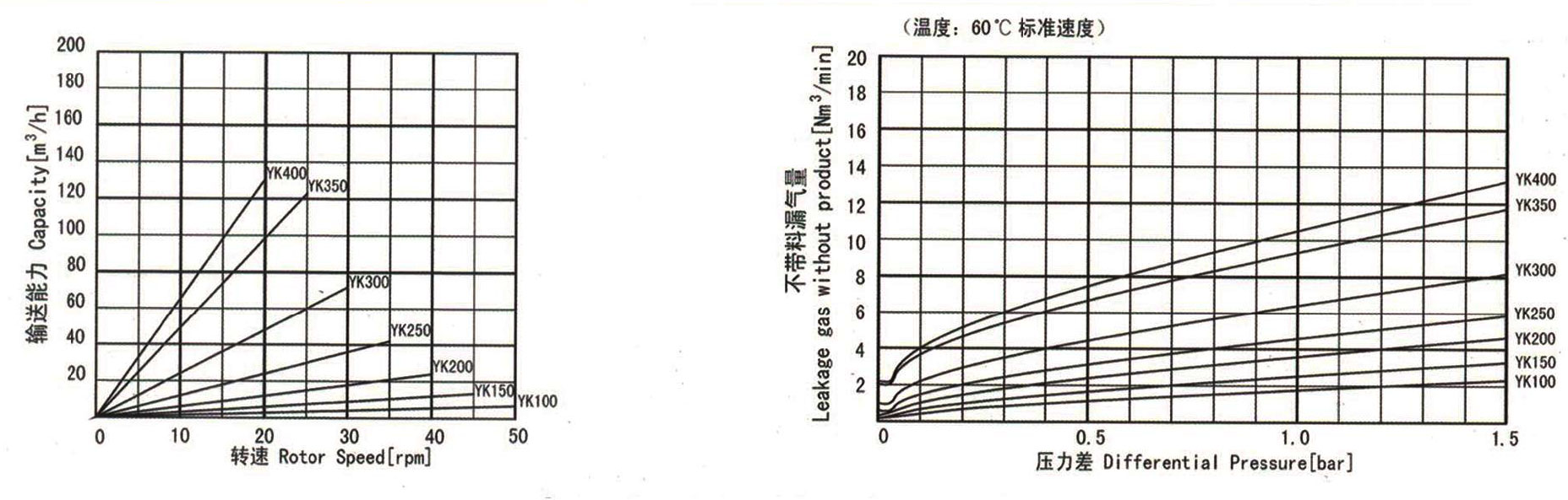
GSG旋轉供料閥經優化設計,可避免粒料的擠壓和剪切,閥體內設計有平衡壓力排氣道和排氣管接口,其多葉片轉子結構,亦可通過輔助材料制作多形式轉子,確保轉子和閥體間隙較小化,保證較小的漏氣量,在真空高壓條件下,能順暢地把物料送走,所輸送物料的溫度范圍為-10—40℃,其工作環境范圍為-10—40℃,其旋轉閥加工精良,整體優化設計,運轉平穩,可根據用戶的特殊需求制造。
全國咨詢服務熱線:
產品詳情
GSG旋轉供料閥經優化設計,可避免粒料的擠壓和剪切,閥體內設計有平衡壓力排氣道和排氣管接口,其多葉片轉子結構,亦可通過輔助材料制作多形式轉子,確保轉子和閥體間隙較小化,保證較小的漏氣量,在真空高壓條件下,能順暢地把物料送走,所輸送物料的溫度范圍為-10—40℃,其工作環境范圍為-10—40℃,其旋轉閥加工精良,整體優化設計,運轉平穩,可根據用戶的特殊需求制造。
技術參數:
|
DN |
B |
A |
H |
L1 |
d |
W |
轉子容積 |
電機功率 |
重量 |
|
150 |
240 |
285 |
300 |
415 |
30 |
45° |
6 |
0.751KW |
115 |
|
200 |
295 |
345 |
360 |
470 |
30 |
45° |
10 |
1.1KW |
132 |
|
250 |
350 |
395 |
400 |
525 |
45 |
45° |
16 |
1.1KW |
180 |
|
300 |
400 |
445 |
440 |
585 |
45 |
45° |
20 |
1.5KW |
235 |
|
350 |
460 |
505 |
480 |
610 |
50 |
45° |
25 |
2.2KW |
285 |
|
400 |
515 |
565 |
560 |
685 |
50 |
45° |
30 |
3KW |
360 |
|
450 |
565 |
615 |
600 |
745 |
65 |
45° |
40 |
3KW |
420 |
|
500 |
620 |
670 |
650 |
800 |
65 |
45° |
60 |
4KW |
520 |
|
600 |
725 |
780 |
720 |
860 |
65 |
45° |
80 |
4KW |
630 |


地址:丹陽市導墅鎮東油村老預制場 電話:199-0511-9898 199-0511-4422
Copyright 版權所有 © 江蘇丹港機械制造有限公司
備案/許可證編號:蘇ICP備18003308號-2
技術支持:江蘇網博
全國服務熱線:
199-0511-9898 199-0511-4422
(工作時間:周一至周日9:00—18:00)